浙江真空设备集团有限公司
zvew@sina.cn
0576-88223511 88222894
Toggle main menu visibility
网站首页
产品展示
罗茨真空泵
螺杆真空泵
滑阀真空泵
水环真空泵
往复真空泵
旋片式真空泵
真空机组
真空阀门
吸尘装置
新闻中心
公司新闻
行业新闻
荣誉展示
联系我们
关于我们
公司简介
Chinese
中文
English
首页
>
产品展示
>
水环真空泵
>
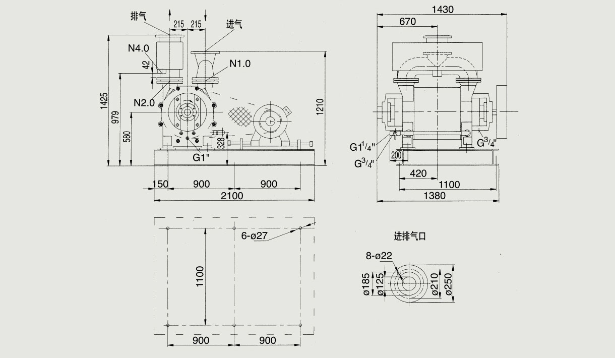
SK型水环真空泵系列
SK系列
发送邮箱
下载附件
SK系列
相关产品
SK系列
SK系列
SK系列
SK系列
SK系列
SK系列
邮件咨询
填写您的信息。
我们将在24小时内答复您
留言
提交
产品展示
罗茨真空泵
ZJ型罗茨真空泵
ZJP型罗茨真空泵系列
ZJQ型气冷式(直排大气)罗茨真空泵系列
LS型水冷式罗茨真空泵系列
LJ型气体激光用罗茨真空泵系列
螺杆真空泵
LG系列
滑阀真空泵
H型滑阀真空泵系列
2H型滑阀真空泵系列
水环真空泵
2SK型水环真空泵系列
2YK型水环真空泵系列
SK型水环真空泵系列
往复真空泵
WLW型往复真空泵系列
W型往复真空泵系列
旋片式真空泵
真空机组
2SK(SKT)-PQ型水环——大气喷射真空机组
气冷式直排大气罗茨无油真空机组
气冷式直排大气罗茨真空机组
罗茨水环(液环)真空机组
罗茨大气喷射水环泵真空机组
罗茨往复真空机组
罗茨滑阀真空机组
ZHS真空蒸汽处理系统
扩散真空机组
真空阀门
吸尘装置
特色产品
H-600
更多
ZJP-600
更多
ZJP-70A
更多
ZJ系列
更多
联系我们
电话:
0576-88223511
邮箱 :
zvew@sina.cn
传真 :
0576-88224056